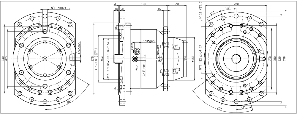
A) Descrizione:
Riduttore epicicloidale serie RV, a due velocità concepito per la traslazione di veicoli semoventi con trasmissione idrostatica.
La sua semplice applicazione e l’affidabilità determinata dalla accurata progettazione e costruzione ne fanno un prodotto dall’imbattibile rapporto costo/prestazioni anche per piccoli lotti.
Previsto con freno positivo o negativo.
Sono disponibili vari rapporti di riduzione degli ingranaggi motori, nonché singoli o molteplici treni di ingranaggi epicicloidali a sezione centrale che trasmettono il moto attraverso vari sistemi di uscita per adattarsi ai diversi tipi di applicazione richiesta.
B) Applicazioni:
Le applicazioni più comuni delle trasmissioni epicicloidali OMR sono macchine agricole, movimento terra, macchine forestali, veicoli gommati e molteplici applicazioni utilizzate, nell’edilizia nell’industria nell’agricoltura e nei settori marino, portuale, minerario e petrolifero.
• RAPP i= 6.15-3.2
• COPPIA nominale fino a 1900Nm
• PESO ..Kg a secco







